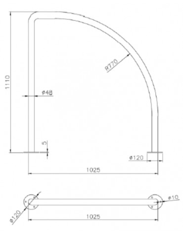
Portabici in acciaio inox