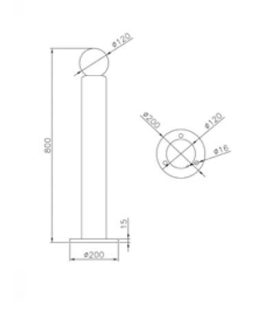
Dissuasori da tassellare senza anelli